
Brief:
·Main applied by pharmacy,foodstuff ,chemical,electron industry to dry the products.
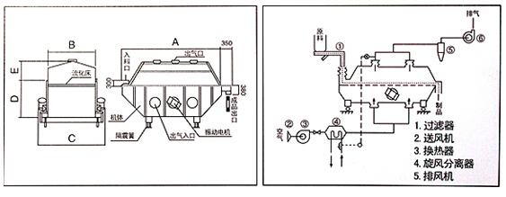
·Machine materials adopt stainless steel.Mainly consists of heat source,blower,cyclone separator and motor.
·Raw material is feed into the machine from equipment inlet and move forward continuously along with the horizontal direction under vibratory power. The hot air passes through fluidized-bed and exchange with raw materials damp, then the wet air is dusted by cyclone separator and exhausted from air outlet, the dried material is discharged through finished material outlet.
Structure schematic:
Parameters:
Model | A | B | C | D | E | F | Weight |
ZLG3×0.30 | 3000 | 300 | 1000 | 940 | 510 | 2020 | 1250kg |
ZLG4.5×0.30 | 4500 | 300 | 1000 | 940 | 510 | 2020 | 1560kg |
ZLG4.5×0.45 | 4500 | 450 | 1210 | 940 | 590 | 2100 | 1670kg |
ZLG4.5×0.60 | 4500 | 600 | 1360 | 940 | 660 | 2170 | 1910kg |
ZLG6×0.45 | 6000 | 450 | 1260 | 940 | 590 | 2100 | 2100kg |
ZLG6×0.60 | 6000 | 600 | 1410 | 940 | 660 | 2170 | 2410kg |
ZLG6×0.75 | 6000 | 750 | 1600 | 940 | 740 | 2250 | 2340kg |
ZLG6×0.9 | 6000 | 900 | 1750 | 940 | 810 | 2320 | 3160kg |
ZLG7.5×6.0 | 7500 | 600 | 1500 | 940 | 660 | 2170 | 3200kg |
ZLG7.5×0.75 | 7500 | 750 | 1660 | 940 | 740 | 2250 | 3600kg |
ZLG7.5×0.9 | 7500 | 900 | 1810 | 940 | 810 | 2320 | 4140kg |
ZLG7.5×1.2 | 7500 | 1200 | 2110 | 940 | 960 | 2470 | 5190kg |
Model | Area of | Temperature | Temperature | Capacity of | Vibration motor | |
Model | Power | |||||
ZLG3×0.30 | 0.9㎡ | 70-140℃ | 40-70℃ | 20~35kg/h | ZDS31-6 | 0.8×2kw |
ZLG4.5×0.30 | 1.35㎡ | 70-140℃ | 40-70℃ | 35~50kg/h | ZDS31-6 | 0.8×2kw |
ZLG4.5×0.45 | 2.025㎡ | 70-140℃ | 40-70℃ | 50~70kg/h | ZDS32-6 | 1.1×2kw |
ZLG4.5×0.60 | 2.7㎡ | 70-140℃ | 40-70℃ | 70~90kg/h | ZDS32-6 | 1.1×2kw |
ZLG6X0.45 | 2.7㎡ | 70-140℃ | 40-70℃ | 80~100kg/h | ZDS41-6 | 1.5×2kw |
ZLG6×0.60 | 3.6㎡ | 70-140℃ | 40-70℃ | 100~130kg/h | ZDS41-6 | 1.5×2kw |
ZLG6×0.75 | 4.5㎡ | 70-140℃ | 40-70℃ | 120~140kg/h | ZDS42-6 | 2.2×2kw |
ZLG6×0.9 | 5.4㎡ | 70-140℃ | 40-70℃ | 140~170kg/h | ZDS42-6 | 2.2×2kw |
ZLG7.5×6.0 | 4.5㎡ | 70-140℃ | 40-70℃ | 130~150kg/h | ZDS42-6 | 2.2×2kw |
ZLG7.5×0.75 | 5.625㎡ | 70-140℃ | 40-70℃ | 150~180kg/h | ZDS51-6 | 3.0×2kw |
ZLG7.5×0.9 | 6.72㎡ | 70-140℃ | 40-70℃ | 160~210kg/h | ZDS51-6 | 3.0×2kw |
ZLG7.5×1.2 | 9㎡ | 70-140℃ | 40-70℃ | 200~260kg/h | ZDS51-6 | 3.0×2kw |